• Modulsysteme
  • Baugröße N
  • N-RE
  • N-RE Normen
  • Module
  • Modulkasten

Modulkasten

  • Modulkasten
    • Modulkasten
    • Regeln
    • Empfehlungen
    • Bewährt
    • Profile
    • Ratschläge

Regeln

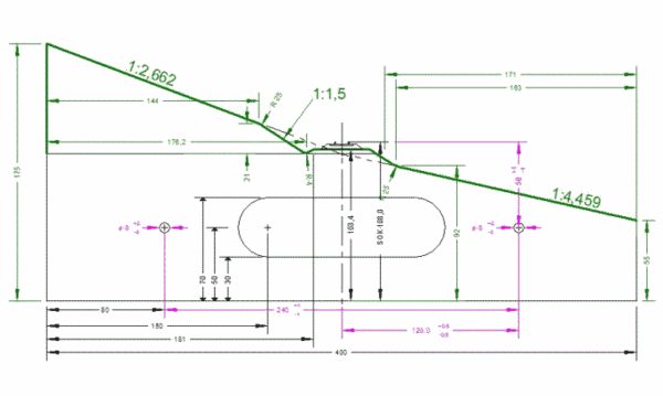
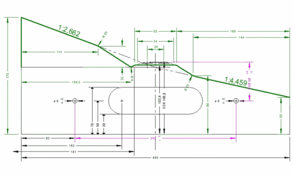
  1. Es dürfen drei verschiedene Kopfprofile ("Stirnformen") frei gewählt werden, je für ein- oder zweigleisige Strecken, ein viertes mit Einschränkungen (wegen der abweichenden Lochlage).
  2. Zur Verbindung der Module untereinander dienen 2 Löcher mit Durchmesser 8 (-0/+2) mm; sie liegen 58 mm unterhalb SOK, 120 mm rechts und links der Gleismitte.
  3. Keine Einbauten auf und nahe der Stirninnenseite, damit Platz zum Ansetzen von Schraubzwingen bleibt.

Empfehlungen

  1. Das Flachprofil gilt als Standard.
  2. Wegen der abweichenden Lage der Verbindungslöcher soll das Kopfprofil "Damm" zuerst an einem Paar von Übergangsmodulen angewendet werden.
  3. Zugunsten eines einheitlichen Aussehens sollen alle Module durchgehend 400 mm breit sein. Betriebsstellen, die mehr Platz benötigen, dürfen breiter sein, sollen sich aber zu den Stirnen hin auf 400 mm verjüngen. (Siehe auch "Bewährt".)
  4. Für den Außenanstrich der Modulkästen ist ein mattes Grau vorgesehen (bevorzugt "Staubgrau RAL 7037").

Bewährt

Modulbreite

Wer – besonders bei Streckenmodulen – Breite sparen will, wähle 300 mm; einerseits, damit es sich lohnt, andererseits, weil schmälere nicht standardmäßig verschraubt werden können.

Zweigleisige Module

erhalten zweckmäßigerweise in den Stirnen zu dem eingezeichneten Lochpaar hinzu zwei weitere Paare symmetrisch zu den Gleismitten. Solche Module können auch mit einem eingleisigen sinnvoll – wiewohl optisch selten "schön" – verschraubt werden.

Sind sie (entgegen den Zeichnungen) 425 mm breit, dann fluchtet wenigstens eine Längskante, wenn sie in derartiger Kombination eingesetzt werden.

Profile

F1: Flachprofil eingleisig, ähnlich FREMO "N90"
F2: Flachprofil zweigleisig, ähnlich FREMO "N90"
H1: Hangprofil eingleisig
H2: Hangprofil zweigleisig
E1: Einschnittprofil eingleisig
E2: Einschnittprofil zweigleisig
D1: Dammprofil eingleisig (nur eingeschränkt verwendbar; Lage der Löcher!)
D2: Dammprofil zweigleisig (nur eingeschränkt verwendbar; Lage der Löcher!)

Ratschläge

Bei der Erstellung der Grundkonstruktion - des Modulkastens - muß besonders sorgfältig gearbeitet werden: Die Kopfstücke und Seitenteile sind auf einer ebenen Fläche zu montieren, damit der Kasten gerade wird. Das Trassenbrett muß absolut eben montiert werden, damit später eine optimale Gleislage erreicht wird. Um zu verhindern, daß sich das Trassenbrett im Lauf der Zeit verzieht, wird es mit einem Längsträger verstärkt. Zusätzliche Stabilität erhält der Modulkasten durch Querspanten. 
Bei allen Holzarbeiten sollte man bereits an die zu verlegenden Leitungen denken und die entsprechenden Löcher vorsehen. Auch sollten Raum und Durchlässe für Weichenmechanik etc. bereits jetzt freigehalten werden. Es empfiehlt sich ebenfalls, bereits jetzt die Vorkehrungen zur Beinbefestigung zu treffen. An den Modulenden ist ausreichend Raum zur Montage der Verbindungsschrauben vorzusehen. 
Als Baumaterial eignen sich hochwertiges Sperrholz, Multiplex- oder Tischlerplatten nicht unter 10 mm Stärke. Unbrauchbar sind hingegen Spanplatten und ähnliche Materialien. 
Nach Abschluß der Bauarbeiten sollten alle Holzteile innen und außen gestrichen werden, um das Holz vor Feuchtigkeit (und damit vor Verformung) zu schützen. Eine helle Farbe im Innenbereich des Kastens erleichtert die Fehlersuche am aufgebauten Modul ungemein, da Kabel und Mechanik besser sichtbar sind. 
Die Bohrungen für die Verschraubung an den Kopfstücken sollten erst nach dem Verlegen der Gleise angebracht werden, da so eine bessere Paßgenauigkeit erreicht wird. Weiterhin sollten Durchlässe für die Kabelverbindung zum nächsten Modul erstellt werden, wie in den Zeichnungen angegeben. Sie bilden zugleich Grifflöcher für den Transport.

Die Seite wurde zuletzt geändert: 14.08.16, 08:20:32 
Testing
FREMO-Logo
  • DE
  • EN
  • NL
  • DA
  • SV
  • FI
  • FR
  • NO
  • IT
  • ES
  • CZ
  • PL
  • Startseite
  • Letzte Änderungen
  • Sitemap
  • Impressum
  • Datenschutz
  • Mitgliedschaft
  • Login/Logout
  • Über den FREMO
  • FREMO in Europa
  • Treffen
  • Stammtische
  • Treffenberichte
  • Praxis
  • Modulsysteme
    • Baugröße N
      • fremo-n
      • FiNescale
      • americaN
      • N-RE
        • N-RE Normen
          • Module
            • Modulkasten
            • Modulbeine
            • Gleismaterial und Radien
            • Elektrik und Verkabelung im Modul
            • Elektrik und Verkabelung am Modulkopf
            • Landschaft
            • Zubehör
          • Fahrzeuge
          • Betrieb
          • Treffen
          • Quellen
      • Arbeitskreise Spur N
    • Baugröße TT
    • Baugröße H0
    • Baugröße 0
    • Baugröße I FREMO:32
    • Baugröße II FREMO:22,5
  • Moduldatenbank(en)
  • Hp1 Modellbahn
FREMO – Freundeskreis Europäischer Modellbahner e. V.