• FREMO i Europa
  • Danmark
  • H0-P DK
  • Retningslinjer for FREMO Privatbaner DK

Retningslinjer for FREMO Privatbaner DK

FREMO Privatbaner DK startede i 2008 på initiativ af Kolding Modeljernbaneklub (KdMJK). Senere har FREMO Nordjylland stambordet overtaget opgaven med at udvikle konceptet og løfte opgaverne med arrangementsplan, opstilling og køreplan for privatbanen på de FREMO-træf, hvor der indgår privatbanestrækning. På Facebook findes gruppen ”FREMO Privatbaner DK”, som er det officielle forum for FREMO privatbanedrift i Danmark.

 

I de følgende retningslinjer beskrives hvordan et dansk privatbanemodul bør udformes og hvordan trafikken derpå afvikles, og de omfatter især de punkter, hvor FREMO Privatbaner DK adskiller sig fra FREMOs generelle retningslinjer. For alle øvrige forhold henvises der derfor til normerne for FREMO Danmark.

Modulerne

Privatbanemoduler behøves ikke at have et konkret forbillede, men skal udseendemæssigt fremstå som en dansk privatbanestrækning eller -driftssted. Et driftssted er en station, et tilslutningsspor, en forgrening på fri strækning eller et trinbræt.

I den forbindelse vil virkemidler som f.eks. tracéprofilet, skinnernes dimensioner, svellernes dimensioner og indbyrdes afstand, samt brug af sandballast, være vigtige elementer på både stræknings- og driftsstedsmoduler. På stationer vil bygningernes proportioner og arkitektur samt detaljer som trækbukke til sporskifter, sporspærrer og frisporsmærker ofte adskille en privatbanestation fra en DSB-station.

 

Privatbane profiler

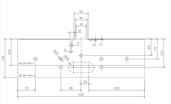
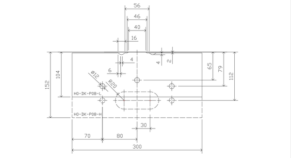
Det oprindelige privatbaneendeprofil, DK-P08, adskiller sig fra gængse FREMO-endeprofiler ved at have en bredde på 300 mm og et anderledes tracéprofil. For at imødekomme ønsket om mere plads til landskab på privatbanemoduler indførtes i 2014 et bredere privatbaneendeprofil, DK-P14, med 500 mm bredde. Øvrige dimensioner på begge privatbaneendeprofiler er ens, herunder også tracéprofilet. Hullernes placering på DK-P08 og især DK-P14 giver mulighed for sammenkobling med moduler, som har et af de øvrige, gængse FREMO-endeprofiler. Begge privatbaneendeprofiler findes i højderne 104 mm (lav byggehøjde) og 152 mm (høj byggehøjde).

 

H0-DK-P08
Tryk på billede for pdf
H0-DK-=14
Tryk på billede for pdf

Modulfarve

I FREMO Danmark er det vedtaget, at alle modulsider males med RAL 7043 ”Verkehrsgrau B”, hvilket også er blevet indført for FREMO Privatbaner DK. Derfor males siderne på privatbanemoduler i denne farve; dog kan endeprofilerne males RAL 8011 ”Nussbraun” (Nøddebrun) på strækningsmoduler, så de skiller sig mindre ud fra landskabets farver, såfremt de skulle komme delvist til syne i samlingerne mellem modulerne.

For at minimere risikoen for glans- og nuanceforskelle mellem malingsfabrikaterne, så anbefales det udelukkende at bruge Jotun’s vandbaserede interiørmaling med glans 15 (silkemat). Grundmaling er ikke nødvendig, idet Jotun garanterer, at på ubehandlet træ kan to lag (med let mellemslibning) af denne lakmaling dække helt.

 

 ”Verkehrsgrau B”

Recept: HT047 OK017 SS055.9

Basenavn: C-BASE

Produktnavn: LADY SUPREME FINISH 15 GML

Farvenavn: VERKEHRSGRAU B

Farvekode: 7043

 

Farvens oprindelse: RAL 840HR

 

 “Nussbraun” (Nøddebrun)

Recept: GI005 OK075 RB079 SS071

Basenavn: C-BASE

Produktnavn: LADY SUPREME FINISH 15

Farvenavn: NUSSBRAUN

Farvekode: 8011

 

Farvens oprindelse: RAL 840HR

Overbygning

Med henblik på i model at eftergøre dansk privatbanespor med laskesamlinger, så opdeles sporet visuelt i stykker á 12 modelmeter (138 mm), hvilket kan gøres ved at illudere et dobbelt svellestød eller et svævende skinnestød. Her er det udelukkende svellernes placering, der illuderer dette – selve skinnestrengen behøves ikke at blive delt i stødene. Ligesom på forbilledet bruges der 16-17 sveller pr. 12 modelmeter (138 mm). Dog er det ikke alle privatbaner, som dette passer på, idet nogle har haft spor med 25 sveller pr. 18 meter. Men find ud af, hvad den privatbane, som du har valgt som forbillede, havde af spor.

 

 En virkelighedstro privatbanesvelle er i skala H0 27,6 mm lang og 2,3 mm bred. Sveller til sporskifter laves med samme bredde, og i længder der øges i spring på 2,87 mm. Hvis man selv fabrikerer sine sveller, så bør disse dimensioner overholdes.

På fabriksfremstillede sporskifter er det ikke så ligetil at øge afstanden mellem de enkelte stykker sporskiftetømmer. Så medmindre at sporskiftet ombygges, så accepteres her fabrikantens valg af svelleafstand. Ved selvbyggede sporskifter placeres sveller med så passende stor indbyrdes afstand, at det bedst muligt efterligner forbilledet.

Det anbefales at benytte sporskifter med afgrening i 1:8 eller 1:9.

 

På nye privatbanemoduler benyttes spor med code 75 eller gerne mindre. I de seneste år er code 55 blevet det foretrukne spor til både strækninger og stationer på privatbanen, eftersom det nu kan købes som fabriksfremstillet flexspor. Flere bygger også deres spor selv, og her anbefales det som udgangspunkt at bruge code 55, der også kan købes som ”løse” skinnestrenge. Hvis du kunne tænke dig at lære mere om selvbyg af spor, så spørg i gruppen ”FREMO Privatbaner DK” på Facebook. I øvrigt henvises også til de nedenstående kildematerialer.

Nogle privatbaner havde ret så kraftige spor allerede i 1950’erne, hvilket kan eftergøres med code 70 eller 75.

Ballast

Som ballast på privatbanespor bruges gult sand til at illudere virkelighedens grusballast – ikke skærver. Gult sand til terrarier kan med fordel benyttes, idet det er renset for urenheder og er varmebehandlet. Sandet kan med fordel sies på forhånd, sådan at det derved kan opdeles i forskellige kornstørrelser. Et sæt med sier med forskellige maskestørrelser, og som egentlig er beregnet til Artemia fiskefoder, er særdeles velegnede til dette. Ved ballasteringen benyttes således først den groveste kornstørrelse nederst og afslutningsvis den fineste kornstørrelse øverst. Skærver må dog gerne forekomme i afgrænsede tilfælde, da nogle privatbaner ved reparation af skinnestød lagde skærveballast i området omkring stødene. Find ud af hvilken ballast, der blev brugt på strækninger og stationer på den privatbane, som du har valgt som forbillede, og brug den ballast i model, som passer bedst.

Mindste kurveradius for strækningsmoduler er 1350 mm (gerne 1500 mm), men det anbefales dog at benytte større radier. På sidespor, hvor der kun er rangertrafik, accepteres en kurveradius på ned til 866 mm. Denne radius kræver dog, at materiel med afkortede koblinger også har fjedrende puffere. Eftersom dette ikke altid er tilfældet, så bør man af hensyn til driftssikkerheden foretrække at lægge sidespor med størst mulig radius i kurver.

 

Sporene på privatbanemoduler skal være lagt så nøjagtigt, at de uden problemer kan befares af materiel med:

  • RP25-hjul eller RP25-finescale hjul

  • Fastlåste Fleischmann 6511 bøjlekoblinger

  • Afkortede koblingskulisser og fjederkoblinger (Michael Weinert koblinger)

  • Og som ellers overholder normerne for FREMO Danmark

 

De samme krav gælder for spor i overgangen mellem to vilkårlige privatbanemoduler.

Rullende materiel

Alt det rullende materiel, der befarer privatbanen under et FREMO-træf, skal være forsynet med RP25-hjul. Materiel med hjul, som ikke overholder dette, og som skaber driftsproblemer eller ”tæller svellesøm”, vil blive taget ud af drift og placeret på bordet ved nærmeste fiddleyard. Det forventes, at materiellet i øvrigt som minimum overholder normerne for FREMO Danmark. Det tilstræbes desuden, at alt rullende materiel er patineret.

 

Idet FREMO Privatbaner DK ikke har forbillede i nogen bestemt privatbane, så kan materiellet på privatbanestrækningen under et FREMO-træf være modeller af det, der kørte på hvilken som helst dansk privatbane i virkeligheden. Da man i virkeligheden også transporterede gods i vogne fra DSB eller udenlandske jernbaneselskaber, så vil modeller af sådanne vogne også befare privatbanen under FREMO-træf. Vogne til gods, der skal sendes ud af landet, skal være RIV-mærkede. Danske privatbanevogne kørte dog normalt ikke udenfor Danmark.

Tidsfastsættelse

Privatbanernes største udbredelse i Danmark var i årene fra 1920 til 1969 – det man i modeljernbanesammenhæng kalder epoke II og epoke III. Epoke III er fremherskende for dansk privatbane i FREMO, men andre epoker er ligestillede hermed.

 

Rent landskabsmæssigt skal alle FREMO-moduler repræsentere en sommerdag.

Drift

På de FREMO-træf, hvor der indgår dansk privatbane, afvikles trafikken på privatbanestrækningen ved hjælp af toglederdrift. Det betyder i korte træk, at trafikken styres af en togleder, der udelukkende holder styr på trafikken mellem stationerne på privatbanen i henhold til køreplanen. Toglederen bevarer dette overblik over trafikken ved at denne via telefonsystemet udveksler driftsmeldinger med togpersonalet på ubetjente stationer og med stationsbestyreren på betjente stationer.  

 

På ubetjente stationer er det således lokomotivføreren, der under ophold på stationen betjener denne – herunder får lokomotivføreren dermed rollen som stationsbestyrer og er dermed ansvarlig for togkrydsning, tilbagemelding til toglederen, og at stille signal, m.v. Regler og procedurer for toglederdriften er beskrevet i et særskilt dokument, mens instruktioner til lokomotivførerne vil blive givet af toglederen forud for hver tjenestestart.

 

For at tilstræbe en realistisk længde for togstammer accepteres ikke tog med over 20 aksler. Skal der fragtes flere vogne må de overskydende vogne sendes med det næste tog, eller også indsættes der særtog. Dog vil godstog med vogne til overlevering til DSB generelt være større.  

Stationer

For ubetjente stationer stilles der krav om:

 

  • En simpel lokalinstruks

  • Skematisk stationsplan

  • Holdere til gods/vognkort for hvert enkelt spor/godsmodtager

Teknik

DCC: Privatbanen tilsluttes resten af anlægget på et FREMO-træf på samme måde som andre delstrækninger. Generelt skal alle stationer have en selvstændig booster, hvis indstillinger skal være sat op i henhold til normerne for FREMO Danmark.

 

Dog vil det ved et FREMO-træf altid være op til den DCC-ansvarlige at angive hvilke stationer, der skal forsynes med booster. Disse retningslinjer skal overholdes.

Telefoni: Privatbanen tilsluttes samme telefoncentral som de øvrige stationer på FREMO-træffet. Hver station skal have en telefon, der kan tilsluttes anlæggets RUT-net.

Kilder og links:

FREMO H0 (normer og beskrivelse):

<link modulsysteme baugroesse-h0 h0-europa h0-normentwurf>Modulnorm - FREMO - Freundeskreis Europäischer Modelleisenbahner e.V. (fremo-net.eu)

 

FREMO Privatbaner DK (officiel gruppe på Facebook):
https://www.facebook.com/groups/265132530350358

Inspiration og byggebeskrivelser:
www.tlarsen.dk (bl.a. om modulbygning og om selvbygning af spor og sporskifter)

Artikler i HP1 (officielt medlemsblad for FREMO i Europa):
Hp1 Modellbahn (Heft 4 2016): Not only for private railways – part 1 (om selvbygning af sporskifter i code 55)
Hp1 Modellbahn (Heft 1 2017): Not only for private railways – part 2 (om selvbygning af sporskifter i code 55)

Denne side blev sidst ändret: 18.03.2024, 07.27.50 
Testing
FREMO-Logo
  • DE
  • EN
  • NL
  • DA
  • SV
  • FI
  • FR
  • NO
  • IT
  • ES
  • CZ
  • PL
  • Startside
  • Seneste update
  • Sitemap
  • Impressum
  • Databeskyttelse
  • Medlemskab
  • Login/Logout
  • Om FREMO
  • FREMO i Europa
    • Danmark
      • Menu
      • H0 DK
      • H0-FREMOdern DK
      • H0-P DK
        • Retningslinjer for FREMO Privatbaner DK
        • H0-P Træf i DK
      • N-DK
      • H0-USA DK
      • H0-e DK
      • Stammtisch
      • Årsmøder / Mailgrupper
    • Finland
    • Italien
    • Norge
    • Polen
    • Sverige
    • Schweiz
    • Østrig
    • United Kingdom
  • Træfkalender
  • Møder
  • Træfberetninger
  • Teknik
  • Modulsystemer
  • Hp1 Modellbahn
FREMO – Freundeskreis Europäischer Modellbahner e. V.