• Praxis
  • FREMO Digital
  • Systembeschreibung

Die Komponenten der Digitalsteuerung beim FREMO

Eine kurze Systembeschreibung

Eines der wichtigsten Kriterien bei der Auswahl eines digitalen Steuerungssystems für den Betrieb beim FREMO war, dass es grundsätzlich offen und nicht nur von einem Hersteller verfügbar sein sollte. Eine Anlehnung an die DCC-Norm der NMRA (National Model Railroad Association, USA) ermöglichte es einerseits auf eine Vielzahl handelsüblicher Komponenten zurückgreifen zu können und erlaubte andererseits eine Vielzahl von Eigenentwicklungen verschiedener FREMOMitglieder.

An dieser Stelle sollen die wichtigsten Komponenten der digitalen Zugsteuerung beim FREMO kurz erläutert werden.

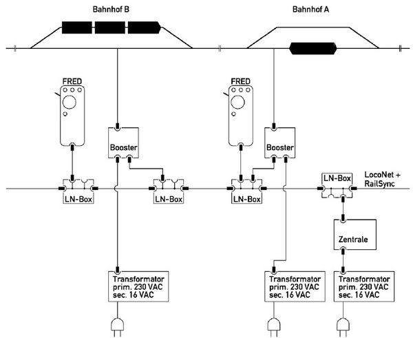
Systemaufbau der digitalen Zugsteuerung

Zentrale

Die Zentrale hat die Aufgabe, die über den Eingabebus (den einen Teil des LocoNets) eingehenden Meldungen der Fahrregler zu sammeln, zu verarbeiten und per Ausgabebus RailSync, über Booster (Verstärker) und Decoder an die Triebfahrzeuge weiterzugeben. An käuflichen Zentralen sind der 'Chief' der Firma Digitrax und die Intellibox der Firma Uhlenbrock innerhalb des FREMO weit verbreitet. Außerdem gibt es verschiedene Eigenentwicklungen von FREMO-Mitgliedern.

LocoNet + RailSync = LocoNet-Kabel

LocoNet ist der von der Fa. Digitrax entwickelte Eingabebus. Außer dem schon bei der Zentrale beschrieben Sammeln der Meldungen der Fahrregler (zum Beispiel Loknummer 4711, Fahrstufe 66 oder Licht ein) und der Weitergabe der Fahrbefehle der Zentrale für die Decoder hat dieses Kabel außerdem die Aufgabe, die Handregler mit der erforderlichen Spannung zu versorgen. Für das Loco-Net wird ein 6-poliges Flachbandkabel mit so genannten Western-Steckern verwendet. Einige FREMOikaner besitzen das zur Herstellung von LN-Kabeln erforderliche Crimpwerkzeug. Bei rechtzeitiger Absprache kann eine solche Bastelaktion im Rahmen eines FREMO- Treffens organisiert werden

LocoNet-Boxen (LN-Boxen)

LocoNet-Box - Foto Christian Sauer

Die LN-Boxen haben neben ihrer Funktion als Kabelverbinder vor allem die Aufgabe als Einsteckmöglichkeit für die Handregler zu fungieren. Die LN-Boxen werden deshalb zirka alle 5 Meter an der freien Strecke und in ausreichender Zahl an den Betriebsstellen montiert, damit die dort arbeitenden Lokführer stets eine freie Einsteckmöglichkeit für ihren Handregler in der Nähe des Geschehens finden. Beson-dere Bedeutung hat dies, wo feinfühlig rangiert werden muss, wie zum Beispiel beim Ankuppeln von Wagen mit Originalkupplung. Für die LN-Boxen gibt es immer wieder Sammelbestellungen und für die rationelle Bearbeitung der Gehäuse gibt es immer wieder Stanzaktionen am Rande von FREMO-Treffen. Fertige Abzweigdosen (Y-Verbinder) sind ebenfalls in FREMOdulen zu finden, hier gibt es allerdings immer wieder Probleme mit der Qualität, die schon zu entsprechenden Betriebsstörungen bei Treffen geführt haben.

Der FRED - Foto: Christian Sauer

FRED

Ein wesentlicher Baustein zum Erfolg des NMRA-DCC beim FREMO ist FRED, FREMOs einfacher Drehregler. Mit FRED wurden die Vorteile der digitalen Modellbahnsteuerung erst richtig für den FREMO nutzbar: Züge können unabhängig voneinander von jeder Stelle des Arrangements gesteu- ert werden. Außerdem fährt der Zug beim Aus- und Wiedereinstecken des FRED einfach mit den letzten Einstellungen weiter. Mit FRED waren bisher die Geschwindigkeit und drei oder vier Sonderfunktionen zu steuern, die aktuelle Weiterentwicklung geht darüber hinaus und befindet sich zur Zeit in der Erprobungsphase, die jedoch noch nicht abgeschlossen ist. In Hpś, Heft 3/1998 gibt es den Grundsatzartikel zur Bedienung des FRED, Baupläne gibt es im Internet. Von den Sammelbestellungen innerhalb des FREMOs waren die FREDSammelbestellaktionen bisher die aufwändigsten, schließlich sind eine Menge verschiedenartiger Bauteile zu beschaffen. Anschließend wurden in vielen regionalen Aktionen hunderte von FREDs montiert, Leute, die besser löten konnten, halfen denen, die noch nicht so genau wussten wie. Auch war es hier immer von Vorteil, wenn ein Kenner der Materie half, Fehler, die sich eingeschlichen hatten, zu suchen und zu beseitigen.

Neu kommt nun (01/2008) der FREDI, dazu dann später mehr.

Booster

Der Booster hat einerseits die Aufgabe, die Gleisstromkreise untereinander (und vom RailSync) galvanisch zu trennen, und andererseits, die Signale des RailSync so zu verstärkten, dass man dieses Signal in die Gleise einspeisen kann. Außerdem sollte der Booster bei Kurzschlüssen den Strom abschalten, um Schäden durch zu große Ströme zu vermeiden. Aus Gründen der Störungssicherheit ist für jede Betriebsstelle wenigstens ein Booster vorgesehen. Hierfür entwickelten die FREMO-Kollegen ein relativ einfaches Gerät, den Spax-Booster, den man bei Bedarf recht einfach unter das Modul schrauben kann (das geht allerdings auch mit den altmodischen Holzschrauben). Auch für dieses Gerät gibt es immer wieder Sammelbestellungen und Bastelaktionen.

Zusatzgeräte

Um in großen Arrangements immer genug Spannung für das LocoNet und die FREDs zu haben, gibt es Verstärkerbausteine, für die Kontrolle der LocoNet-Leitungen gibt es Kabeltester und für die Kontrolle der am Gleis anstehenden Signale gibt es ebenfalls Testgeräte, die den Aufbau von großen Modularrangements beschleunigen helfen. Für ganz große Arrangements, bei denen wegen der Grenzen der Länge des LocoNet mehrere Zentralen eingesetzt werden, wurden Kopplungsbausteine entwickelt, die einen Austausch der Zentralen untereinander ermöglichen.

FREMO-Digital für Einsteiger

Dies war ein kurzer Überblick über FREMO-Digital. Wer neu zum FREMO kommt, der tut wie in allen anderen Bereichen gut daran, sich beim Besuch des nächsten Treffens bei einem der 'älteren Hasen' Schlau zu machen. So können Erfahrungen ausgetauscht und die erforderlichen Kontakte geknüpft werden, die erforderlich sind, um an die nötigen Informationen heranzukommen. Außerdem kann man so mit den FREMOikanern aus der näheren Umgebung in Verbindung kommen und vielleicht gleich von den nächsten DCC-Bastelaktionen in der Nähe erfahren. Eine weitere Informationsquelle ist das Internet: Auf der FREMO-Homepage ist viel über FREMO-Digital zu erfahren. Außerdem gibt es für Diskussionen zum Thema die Mailingliste FREMODCC. Ich finde den Weg über persönliche Kontakte allerdings interessanter und im Zweifelsfall auch effektiver

Auswahl aus im FREMO-Hp1 erschienenen Beiträgen aus der Rubrik FREMO-Digital

Christian Sauer

Die Seite wurde zuletzt geändert: 17.01.24, 14:10:52 
Testing
FREMO-Logo
  • DE
  • EN
  • NL
  • DA
  • SV
  • FI
  • FR
  • NO
  • IT
  • ES
  • CZ
  • PL
  • Startseite
  • Letzte Änderungen
  • Sitemap
  • Impressum
  • Datenschutz
  • Mitgliedschaft
  • Login/Logout
  • Über den FREMO
  • FREMO in Europa
  • Treffen
  • Stammtische
  • Treffenberichte
  • Praxis
    • Module
    • Modulelektrik
    • FREMO Digital
      • Systembeschreibung
      • Adressvergabe
      • Gleisdreieck
    • Signale
    • Fahrzeuge
    • Betrieb
    • Modulverwaltung
  • Modulsysteme
  • Moduldatenbank(en)
  • Hp1 Modellbahn
FREMO – Freundeskreis Europäischer Modellbahner e. V.